forum.Ohota.by в Telegram - ВОЙТИ

Лодочные подвесные моторы.

Самодельные лодочные моторы, транспортные средства, лодки,а также все то что приводится в движения двигателем и не только.

Модератор: Yurkoff

Поделиться ...

Re: Лодочные подвесные моторы.

Сообщение skipper63 » 09 июн 2014, 22:40

olgins писал(а):
skipper63 писал(а):Я его весь сниму, подтекает где-то

Подтек, думаю, это не совсем то. И искать его не нужно. Там в верхней части карбюратора на штуцерок одет кусок шланга. Через этот штуцер сообщается с атмосферой пространство над поплавком. В случае наклона мотора как раз из этого шланга и подтекает.
А если смущает масло снизу, то это тоже нормально. На патрубке глушителя есть утолщение, типа резонатора, в нем есть отверстия, то есть часть выхлопа идет через эти отверстия постоянно. Сделано, я так понимаю, для облегчения пуска мотора. Именно масло на выхлопе и принимает народ за подтеки.
Насколько помню, голова крепится к дейдвуду через нижнюю половину кожуха. Отвинтив 3 или 4 винта все это дело разбирается на части: голова, кожух и дейдвуд. Для очистки карба разбирать вроде как и не нужно. Похоже, все таки нужно снять карб полностью - два винта на М6, ну и тросики отсоединив.

Спасибо.
Снял полностью, разобрал. В поплавковой камере - смесь масла с водой! Вот такая серо-коричневая бяка. Масло попадает через трубку сапуна, она выведена в коробку воздухозаборника.Трубка просто вставляется, не плотно. Многие пользователи этого мотора жалуются на масло на решетке снизу.У меня его не было, но в процессе снятия карба появилось. Вообщем все промыл, продул, собрал.

Cdznjujh писал(а): вот приладить ветровский насос и обеспечить питание из бака было б самое то :-): есть ли у кого такой опыт? :smu:sche_nie: ,а то ковыряние с бензином из канистры в бак на рыбалке сильно влияет на клев :ze_le_ny:

А какой опыт нужен? Ветровскому насосу нужны пульсации давления. Надо подключаться к сапуну, и герметизировать картер. Или затыкать трубку сапуна и подключаться к картеру, сверлить, штуцер вкручивать. И клапан редукционный, чтобы давление в картере сбрасывать.
Викинг 340 LE, Tohatsu-9,8, Honda-2, Lowerance Mark 5 Pro
skipper63
Аксакал
 
Сообщения: 169
Зарегистрирован: 02 июн 2012, 21:51
Откуда: Санкт-Петербург
Репутация: 0 [ ? ]
Благодарил (а): 4 раз.
Поблагодарили: 6 раз.

forum.Ohota.by в Telegram - ВОЙТИ

Re: Лодочные подвесные моторы.

Сообщение Jonson2 » 10 июн 2014, 02:24

А может, к выхлопушке насос подключить? Пульсации там что надо, вывести трубочку в поток от вентилятора, чтоб остывало, а уж к ней шланчик и в насос?
Rioby (MTD)700 - 1л.с., Champion T334 - 1.2 л.с., Stihl FS130 4MIX 1.9 л.с., Форвард 620 в процессе...
Воронеж-Мини, Пеликан 280М
Аватара пользователя
Jonson2
Гуру
 
Сообщения: 1283
Зарегистрирован: 10 май 2011, 18:39
Откуда: Новосибирск
Репутация: 16 [ ? ]
Награды: 1
За особый вклад в жизнь форума (1)
Благодарил (а): 68 раз.
Поблагодарили: 184 раз.

Re: Лодочные подвесные моторы.

Сообщение olgins » 10 июн 2014, 09:48

По вопросу запчастей, ног от моторов и проч.
Сегодня заезжал к местным металлоприемщикам.
Можно купить любую железку, черный металл 20руб\кг, остальное по договоренности.
Прикупил лодочный мотор Москва, отдам деду на запчасти(это который с зонгшеном на москвоноге). Цена вопроса 800руб.
Мотор с точки зрения ноги - комплектный, даже гайка гребного винта из цв. металла присутствует.
Еще валялась нога ветерка, но та разобрана, один корпус.

Так что, кому что нужно, ищите у "металлистов"!
Лучше переесть, чем недоспать... однако. Печатаю любые флаги!
Зиф-5, Honda BF2, Suzuki DF2.5, Tohatsu-9.8, катамаран Турист-4, лодка Silverado-33S.
Аватара пользователя
olgins
Гуру
 
Сообщения: 1441
Зарегистрирован: 11 дек 2010, 17:48
Откуда: г. Чайковский, Пермский край
Репутация: 6 [ ? ]
Благодарил (а): 39 раз.
Поблагодарили: 133 раз.

Re: Лодочные подвесные моторы.

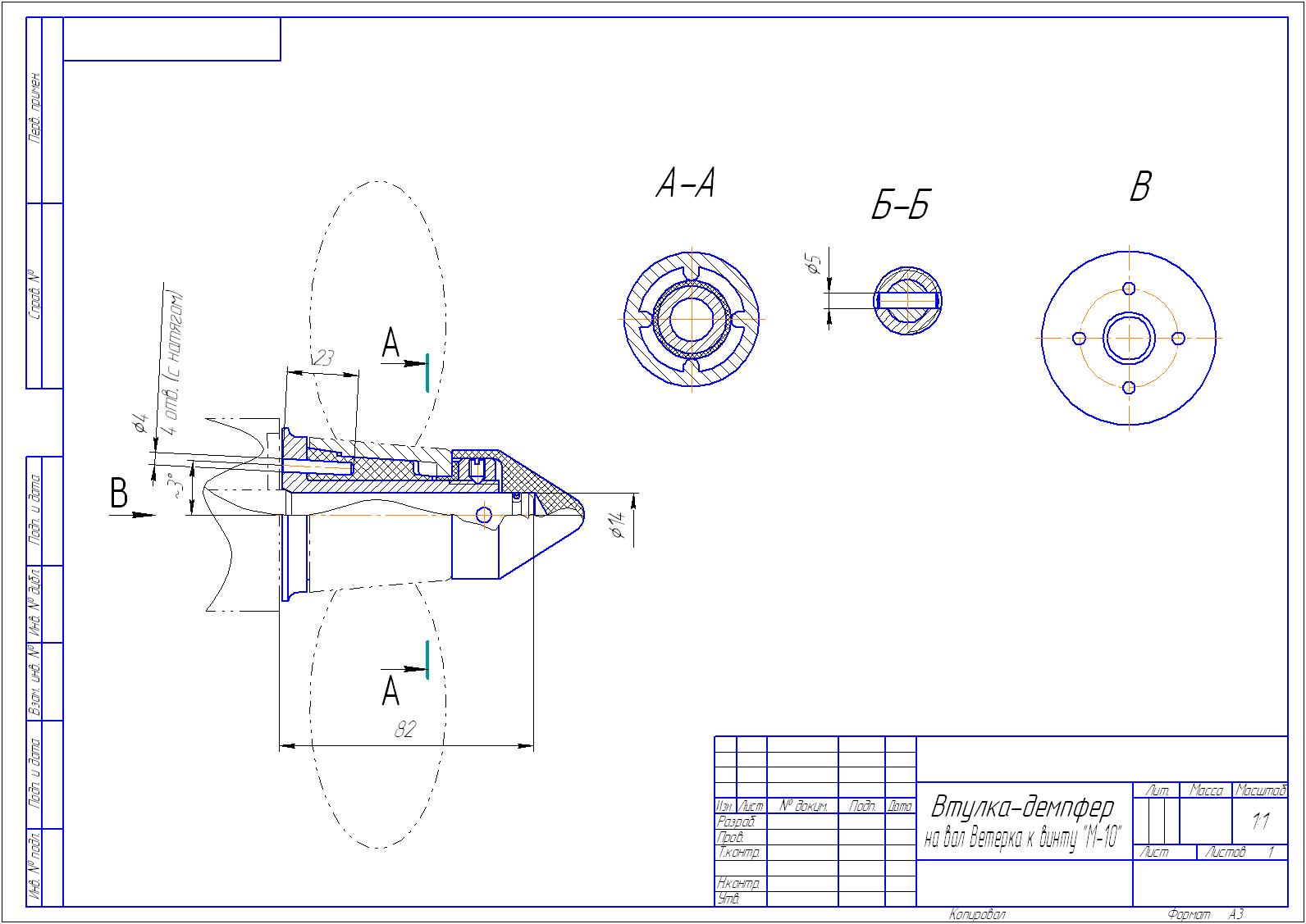
Сообщение Chybykov » 10 июн 2014, 14:27

Втулка под Московский винт
Вложения
Втулка-демпфер на вал Ветерка к винту М-10.jpg
1
Деталировка втулки.jpg
2

За это сообщение автора Chybykov поблагодарил:
skipper63
Chybykov
Аксакал
 
Сообщения: 189
Зарегистрирован: 30 янв 2014, 21:54
Репутация: 1 [ ? ]
Благодарил (а): 0 раз.
Поблагодарили: 21 раз.

Re: Лодочные подвесные моторы.

Сообщение Святогор » 10 июн 2014, 14:55

Jonson2 писал(а):А может, к выхлопушке насос подключить? Пульсации там что надо, вывести трубочку в поток от вентилятора, чтоб остывало, а уж к ней шланчик и в насос?

вот про это я подумываю, запитаться от выхлопной, но остужать потоком вентилятора.... вопрос на какие температуры расчитана мембрана и не загадил там все выхлопами? а карбюратор? как он себя поведет, он же расчитан на подачу топлива самотеком... И насколько я понял из картинки разреза клапана он работает не от давления, а засчет разряжения. Короч нужен эксперемент :dr_ink:
Вложения
v002-04.jpg
v002-04.jpg (26.48 КБ) Просмотров: 4738
Benelli montefeltro, РОС Аякс.Badger fishin line 300, SUZUKI DF6S.
«Народ, не имеющий национального самосознания - есть навоз, на котором произрастают другие народы»
Аватара пользователя
Святогор
Профи
 
Сообщения: 497
Зарегистрирован: 06 янв 2014, 07:45
Откуда: Минск
Репутация: 10 [ ? ]
Благодарил (а): 66 раз.
Поблагодарили: 99 раз.

Re: Лодочные подвесные моторы.

Сообщение Седой2 » 10 июн 2014, 21:22

С карбюратором проблему решить проще всего. Такие насосы стояли на картах питерского производства. Для предотвращения перелива снижали напор обраткой в бак. Делался тройник и лишний бензин сливался в бак.
Романтика
Салют Э, Ветер 12, Салюто-Кроссер 1.7 КВт,Ветро-Кроссер 4Т. Москва 10, Ветер 8Э
Аватара пользователя
Седой2
Аксакал
 
Сообщения: 215
Зарегистрирован: 14 авг 2013, 21:08
Откуда: Клинцы
Репутация: 3 [ ? ]
Благодарил (а): 29 раз.
Поблагодарили: 14 раз.

Re: Лодочные подвесные моторы.

Сообщение Святогор » 10 июн 2014, 22:12

:-): с карбом поняно, вот с насосом? или бак поставить по более туда ,что проще всего место вродь позволяет, но оч хочется насос :-) мот присоветуеш что?
Benelli montefeltro, РОС Аякс.Badger fishin line 300, SUZUKI DF6S.
«Народ, не имеющий национального самосознания - есть навоз, на котором произрастают другие народы»
Аватара пользователя
Святогор
Профи
 
Сообщения: 497
Зарегистрирован: 06 янв 2014, 07:45
Откуда: Минск
Репутация: 10 [ ? ]
Благодарил (а): 66 раз.
Поблагодарили: 99 раз.

Re: Лодочные подвесные моторы.

Сообщение skipper63 » 10 июн 2014, 22:30

Насосу нужно не давление, а пульсации, раскачка. Поэтому он и подключается к подпоршневому пространству в Ветерке. Поршень вниз - давление, поршень вверх - разряжение. Мембрана туда - сюда болтается, насос качает.
Викинг 340 LE, Tohatsu-9,8, Honda-2, Lowerance Mark 5 Pro
skipper63
Аксакал
 
Сообщения: 169
Зарегистрирован: 02 июн 2012, 21:51
Откуда: Санкт-Петербург
Репутация: 0 [ ? ]
Благодарил (а): 4 раз.
Поблагодарили: 6 раз.

Re: Лодочные подвесные моторы.

Сообщение Святогор » 11 июн 2014, 01:47

skipper63 писал(а):Насосу нужно не давление, а пульсации, раскачка. Поэтому он и подключается к подпоршневому пространству в Ветерке. Поршень вниз - давление, поршень вверх - разряжение. Мембрана туда - сюда болтается, насос качает.

вот по этому работать на 4тактном двигателе скорее всего не будет, из-за недостаточного разряжения, привод надо брать с кулачков рапредвала через тягу да и насос другой ставить типа жигулевского(от классики) ветерковский же насос для двух тактных двигателей :du_ma_et: на четыре такта думаю не подойдет. но и с приводом от распредвала на прямую тож не прокатит слишком большие обороты на распредвале - мембрана работать не будет особенно на полном газе :-( надо городить что-то с понижением оборотов привода.
Вложения
1328502376-11.jpg
Benelli montefeltro, РОС Аякс.Badger fishin line 300, SUZUKI DF6S.
«Народ, не имеющий национального самосознания - есть навоз, на котором произрастают другие народы»
Аватара пользователя
Святогор
Профи
 
Сообщения: 497
Зарегистрирован: 06 янв 2014, 07:45
Откуда: Минск
Репутация: 10 [ ? ]
Благодарил (а): 66 раз.
Поблагодарили: 99 раз.

Re: Лодочные подвесные моторы.

Сообщение olgins » 11 июн 2014, 06:10

Давайте уж добьем тему бензонасосов на 4т моторах. Поднималась уже не раз. Коллективный разум это хорошо.
Вот я пока что нашел на "Катерах и яхтах":
Цитата: "В свободной продаже по цене 200...800р(в зависимости от жадности продавцов и доверчивости покупателей).
Бензонасос вентилируемый, то есть небольшое количество атмосферного воздуха проходит через вакуумную камеру насоса, и далее по шлангу в картер двигателя. Ставить на мотор его нужно таким образом, чтобы шланг имел постоянный уклон в сторону картера, для исключения образования масляных пробок."
Про подключение бензонасоса пока нет информации.
Вложения
IMG_8015_.JPG
uskor_nasos_4t_small.jpg
Лучше переесть, чем недоспать... однако. Печатаю любые флаги!
Зиф-5, Honda BF2, Suzuki DF2.5, Tohatsu-9.8, катамаран Турист-4, лодка Silverado-33S.
Аватара пользователя
olgins
Гуру
 
Сообщения: 1441
Зарегистрирован: 11 дек 2010, 17:48
Откуда: г. Чайковский, Пермский край
Репутация: 6 [ ? ]
Благодарил (а): 39 раз.
Поблагодарили: 133 раз.

Re: Лодочные подвесные моторы.

Сообщение Jonson2 » 11 июн 2014, 09:09

Оказывается, что все довольно просто: штуцер на бензонасос врезают в проставку между карбом и движком и все работает :dan_ser:
Cсылка скрыта. Для просмотра необходима регистрация на форуме или войдите на форум.
Изображение
и вот Cсылка скрыта. Для просмотра необходима регистрация на форуме или войдите на форум.
Тока рекомендуют лучче насос от тайги или рыси
Rioby (MTD)700 - 1л.с., Champion T334 - 1.2 л.с., Stihl FS130 4MIX 1.9 л.с., Форвард 620 в процессе...
Воронеж-Мини, Пеликан 280М
Аватара пользователя
Jonson2
Гуру
 
Сообщения: 1283
Зарегистрирован: 10 май 2011, 18:39
Откуда: Новосибирск
Репутация: 16 [ ? ]
Награды: 1
За особый вклад в жизнь форума (1)
Благодарил (а): 68 раз.
Поблагодарили: 184 раз.

Re: Лодочные подвесные моторы.

Сообщение Седой2 » 11 июн 2014, 11:40

Конечно поставить насос , работающий на перепадах давления.
На тех же картах ставился ещё обыкновенный вазовский насос с приводом от задней оси. На ней был эксцентрик. Насос качал только когда едем. Городить подобный привод можно, но более затратно. Можно взять бензонасос от японского скутера типа ХОНДА ДИО. 27 модели. В принципе от любого с нижним баком. Хоть там и 2Т моторы , но по идее насос должен работать и на 4Т. На впуске будет всё равно разрежение. Несколько может упасть производительность из-за неполного хода мембраны. На крайний случай можно поставить накопитель для топлива. Он должен быть выше поплавковой камеры. Так тоже делали. Иначе в жару может не закачать . Или при простое.
Романтика
Салют Э, Ветер 12, Салюто-Кроссер 1.7 КВт,Ветро-Кроссер 4Т. Москва 10, Ветер 8Э
Аватара пользователя
Седой2
Аксакал
 
Сообщения: 215
Зарегистрирован: 14 авг 2013, 21:08
Откуда: Клинцы
Репутация: 3 [ ? ]
Благодарил (а): 29 раз.
Поблагодарили: 14 раз.

Re: Лодочные подвесные моторы.

Сообщение Святогор » 11 июн 2014, 13:31

Jonson2 писал(а):Оказывается, что все довольно просто: штуцер на бензонасос врезают в проставку между карбом и движком и все работает :dan_ser:
Cсылка скрыта. Для просмотра необходима регистрация на форуме или войдите на форум.
Изображение
и вот Cсылка скрыта. Для просмотра необходима регистрация на форуме или войдите на форум.
Тока рекомендуют лучче насос от тайги или рыси

вот это интересно, 163 кубовый мотор сможет создать дотсаточную пульсацию на входе, чтобы заработал ветерковский насос(ветерковский потому что он есть у меня) , расматриваю задействовать в качестве варианта выхлоп поставив привод эжекционным насосом на мембранный пульсации на выходе думаю буду гораздо большими
Вложения
EKP_-___(1).jpg
вот он эжекционный насос на выхлопную трубу
Benelli montefeltro, РОС Аякс.Badger fishin line 300, SUZUKI DF6S.
«Народ, не имеющий национального самосознания - есть навоз, на котором произрастают другие народы»
Аватара пользователя
Святогор
Профи
 
Сообщения: 497
Зарегистрирован: 06 янв 2014, 07:45
Откуда: Минск
Репутация: 10 [ ? ]
Благодарил (а): 66 раз.
Поблагодарили: 99 раз.

Re: Лодочные подвесные моторы.

Сообщение Седой2 » 11 июн 2014, 15:20

В выхлопном тракте имеют место только положительные пульсации (выше атм.). Во впускном только отрицательные(ниже атм.). Для нормальной работы нужно и то и другое. Что имеется в кривошипной камере 2Т мотора. При подключении насосной мембраны к тому или другому варианту, имеем прогиб мембраны только в одну сторону. Клапана отработают по любому. А вот производительность упадёт в двое. Если этого будет достаточно для нормальной подкачки топлива из внешнего бака( который стоит гораздо ниже штатного на моторе), то вопрос отпадает. И предпочтительней прицепиться к впуску, чем к выхлопу. Да и намного проще.
Романтика
Салют Э, Ветер 12, Салюто-Кроссер 1.7 КВт,Ветро-Кроссер 4Т. Москва 10, Ветер 8Э
Аватара пользователя
Седой2
Аксакал
 
Сообщения: 215
Зарегистрирован: 14 авг 2013, 21:08
Откуда: Клинцы
Репутация: 3 [ ? ]
Благодарил (а): 29 раз.
Поблагодарили: 14 раз.

Re: Лодочные подвесные моторы.

Сообщение Святогор » 11 июн 2014, 15:40

Седой2 писал(а):В выхлопном тракте имеют место только положительные пульсации (выше атм.). Во впускном только отрицательные(ниже атм.). Для нормальной работы нужно и то и другое. Что имеется в кривошипной камере 2Т мотора. При подключении насосной мембраны к тому или другому варианту, имеем прогиб мембраны только в одну сторону. Клапана отработают по любому. А вот производительность упадёт в двое. Если этого будет достаточно для нормальной подкачки топлива из внешнего бака( который стоит гораздо ниже штатного на моторе), то вопрос отпадает. И предпочтительней прицепиться к впуску, чем к выхлопу. Да и намного проще.

вот тут ты не прав :-): в эжекционном насосе содается разрядка грубо говоря как в мовильнице так в баке для жидкости нет ни какого давления и течет жидкость пблагодаря разрядке внутри возле сопла. давление компрессора постоянное а у выхлопной трубы пульсирующие а значит будут колебания
Вложения
57340.jpg
вот мовильница и работает она на принципе эжекции
57340.jpg (42.89 КБ) Просмотров: 4658
Benelli montefeltro, РОС Аякс.Badger fishin line 300, SUZUKI DF6S.
«Народ, не имеющий национального самосознания - есть навоз, на котором произрастают другие народы»
Аватара пользователя
Святогор
Профи
 
Сообщения: 497
Зарегистрирован: 06 янв 2014, 07:45
Откуда: Минск
Репутация: 10 [ ? ]
Благодарил (а): 66 раз.
Поблагодарили: 99 раз.

Пред.След.

Кто сейчас на конференции

Сейчас этот форум просматривают: нет зарегистрированных пользователей и гости: 5