olgins » 08 окт 2013, 14:35
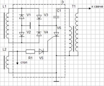
Там вот такая схема собрана. Зажигание МБ-1. Катушки только от него оставлены и скутерная - на выходе.
L1 – генераторная катушка, d=0,063мм, W=11000 витков, R=3000 ом;L2 – катушка управления, d=0,1мм, W=1200 витков, R=80 ом;Т1 – высоковольтный трансформатор, d1=0,28мм, W1=75 витков, R1=0,5 ом, d 2=0,063мм, W2=6900 витков, R2=2000 ом;Э – электронный блок;С1 – конденсатор 0,47 мкф 630В;R1 – резистор 390 ом 0,25 Вт;V1–V5 – диоды , соответствуют КД 209;V6 – тиристор соответствует КУ 202
- Вложения
-

- 22.jpg (29.64 КБ) Просмотров: 3262
Лучше переесть, чем недоспать... однако. Печатаю любые флаги!
Зиф-5, Honda BF2, Suzuki DF2.5, Tohatsu-9.8, катамаран Турист-4, лодка Silverado-33S.
-
За это сообщение автора olgins поблагодарил:
- балу