forum.Ohota.by в Telegram - ВОЙТИ

РЕДУКТОРЫ или как сделать скорость стабильной.

Техническое обслуживание, диагностика

Модераторы: Darkroom, Konstantinovich, 116aavl, SanSanish

Правила форума
Запрещается публикация материалов, направленных на нарушения законодательства Республики Беларусь
Поделиться ...

Какого производителя редуктор вы используете ?

South
7
7%
Labusas
5
5%
Hans
1
1%
Кайнын
1
1%
Крюгер
21
21%
Профессор
22
22%
Установленный производителем винтовки (Эдган, Крикет и т.д.)
22
22%
Пейнтбольный
3
3%
Другой
2
2%
Вообще не пользую
15
15%
 
Всего голосов : 99

Re: РЕДУКТОРЫ или как сделать скорость стабильной.

Сообщение prof3ss0r » 21 май 2014, 20:56

RIC писал(а):Скажите а вы сможете сделать редуктор на вт 65 хатсан,если да сколько это будет стоить?


Могу. Стоить будет как все - 80$. Подробности пиши в ЛС.
Никогда не сомневайсятв том, в чем никто не уверен
Аватара пользователя
prof3ss0r
Гуру
 
Сообщения: 1827
Зарегистрирован: 31 мар 2013, 17:30
Репутация: 64 [ ? ]
Благодарил (а): 109 раз.
Поблагодарили: 382 раз.

forum.Ohota.by в Telegram - ВОЙТИ

Re: РЕДУКТОРЫ или как сделать скорость стабильной.

Сообщение смол » 27 май 2014, 20:53

Вопрос назрел. Если вместо разрывной мембраны редуктора ввернуть ещё один манометр, будет он показывать за редукторное давление?
смол
Новичок
 
Сообщения: 5
Зарегистрирован: 02 апр 2013, 12:39
Репутация: 0 [ ? ]
Благодарил (а): 3 раз.
Поблагодарили: 0 раз.

Re: РЕДУКТОРЫ или как сделать скорость стабильной.

Сообщение prof3ss0r » 27 май 2014, 22:31

Естественно. Только маленькое НО - резьба на манометре и предохранителе разная. :-): Перерезать нужно на 1/8, тогда вкрутишь, и будешь наблюдать заредукторное давление.
Никогда не сомневайсятв том, в чем никто не уверен

За это сообщение автора prof3ss0r поблагодарил:
смол
Аватара пользователя
prof3ss0r
Гуру
 
Сообщения: 1827
Зарегистрирован: 31 мар 2013, 17:30
Репутация: 64 [ ? ]
Благодарил (а): 109 раз.
Поблагодарили: 382 раз.

Re: РЕДУКТОРЫ или как сделать скорость стабильной.

Сообщение алкоголик » 28 май 2014, 18:49

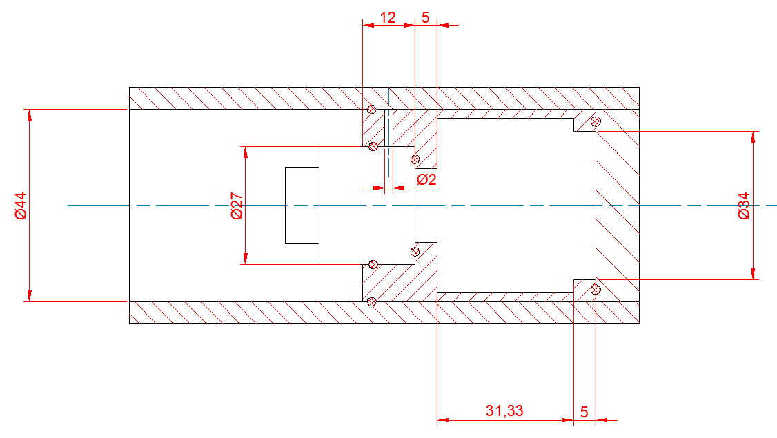
Нужен совет. Как воткнуть редуктор Ø27 в резик Ø44. Ну в принчипе я и сам понимаю как :-): , может кто предложит надёжные варианты, простые, или как... Задняя пробка на 4 болтах. Лучше со слайдами.
Cсылка скрыта. Для просмотра зарегистрируйтесь на форуме или войдите на форум.
Аватара пользователя
алкоголик
Гуру
 
Сообщения: 3160
Зарегистрирован: 29 мар 2013, 16:27
Откуда: Борисов
Репутация: 21 [ ? ]
Награды: 1
Участник Фестиваля (1)
Благодарил (а): 389 раз.
Поблагодарили: 511 раз.

Re: РЕДУКТОРЫ или как сделать скорость стабильной.

Сообщение 116aavl » 28 май 2014, 19:37

Как бы так, размеры так, для наглядности. Вариант, чтоб не сверлить резик

2014-05-28_193827.jpg
Аватара пользователя
116aavl
Гуру
 
Сообщения: 5084
Зарегистрирован: 29 фев 2012, 16:41
Репутация: 29 [ ? ]
Благодарил (а): 754 раз.
Поблагодарили: 809 раз.

Re: РЕДУКТОРЫ или как сделать скорость стабильной.

Сообщение алкоголик » 28 май 2014, 21:17

У меня вот так. Хотелось бы проще и меньше резинок.
Вложения
редуктор.jpg
редуктор.jpg (37.99 КБ) Просмотров: 8918
Cсылка скрыта. Для просмотра зарегистрируйтесь на форуме или войдите на форум.
Аватара пользователя
алкоголик
Гуру
 
Сообщения: 3160
Зарегистрирован: 29 мар 2013, 16:27
Откуда: Борисов
Репутация: 21 [ ? ]
Награды: 1
Участник Фестиваля (1)
Благодарил (а): 389 раз.
Поблагодарили: 511 раз.

Re: РЕДУКТОРЫ или как сделать скорость стабильной.

Сообщение pybob » 01 июн 2014, 20:14

,большое спасибо профессору за работу по перенастройке пейнтбольного редуктора на 106 ат .с ув pybob/
pybob
Аксакал
 
Сообщения: 109
Зарегистрирован: 11 дек 2013, 12:29
Репутация: 1 [ ? ]
Благодарил (а): 0 раз.
Поблагодарили: 8 раз.

Re: РЕДУКТОРЫ или как сделать скорость стабильной.

Сообщение shopot » 08 июн 2014, 23:11

добрый вечер.подскажите последнее время скорость не соответствует настроенной ранее и пляшет до 8 м.с.Ред ор настроен на 130 резинки заменены все .Есть у меня сомнения по поводу тарельчатых пружин(усталость) или фторопластовае запорное седло штока имеет выработку и не плотно закрывает подачу воздуха.Попадание любой грязи в редуктор я исключаю на 120% С УВАЖЕНИЕМ
shopot
Профи
 
Сообщения: 420
Зарегистрирован: 08 июн 2014, 22:45
Репутация: 1 [ ? ]
Благодарил (а): 40 раз.
Поблагодарили: 56 раз.

Re: РЕДУКТОРЫ или как сделать скорость стабильной.

Сообщение shopot » 08 июн 2014, 23:13

можно ответ в личку :ohot_nik:
shopot
Профи
 
Сообщения: 420
Зарегистрирован: 08 июн 2014, 22:45
Репутация: 1 [ ? ]
Благодарил (а): 40 раз.
Поблагодарили: 56 раз.

Re: РЕДУКТОРЫ или как сделать скорость стабильной.

Сообщение prof3ss0r » 09 июн 2014, 00:27

Доброго времени суток..

Скорость пляшет как? +/-4 (8мс)? +/-8мс (это уже 16)? Или она поднимается и падает на эти 8мс, в зависимости от давления в резике? Или первые выстрелы скорость выше, потом падает?
Какой Хрон? Что с Кучностью? Чей и какой редуктор? Хотя бы фото снаружи, а лучше внутри, а еще лучше - подробное фото внутрянки, в особенности дюзы и седла штока.
Тогда и мысли какие-то будут...
Никогда не сомневайсятв том, в чем никто не уверен
Аватара пользователя
prof3ss0r
Гуру
 
Сообщения: 1827
Зарегистрирован: 31 мар 2013, 17:30
Репутация: 64 [ ? ]
Благодарил (а): 109 раз.
Поблагодарили: 382 раз.

Re: РЕДУКТОРЫ или как сделать скорость стабильной.

Сообщение shopot » 09 июн 2014, 19:58

Скорость плясала +8 условно 100 настройка после задувки прошло 2ч отстрел в хрон ибх713 с 200 бар 100. 103. 105 . 101 . 101. 100. 107. 104 .100. 101 . и т. д. Но я уже вроде всё вылечил.Взвесил и отобрал пули почистил ствол поджал усм выбил воздух (конденсат) из резика задулся снова .Скоростя получились ровными со 190 бар =100. 100. 100. 102 .101 . 100. 101. 102. 100. 101.100.101.==175 бар итак до 130 бар.В кишки не лазил.поленился.За отзывчивость очень благодарен.Остаётся только один вопрос почему скорость установилась с 190 бар а не с 200.Ранее с 210 всё было в норме.если есть какие мысли чирканите. С УВАЖЕНИЕМ. :ohot_nik:
shopot
Профи
 
Сообщения: 420
Зарегистрирован: 08 июн 2014, 22:45
Репутация: 1 [ ? ]
Благодарил (а): 40 раз.
Поблагодарили: 56 раз.

Re: РЕДУКТОРЫ или как сделать скорость стабильной.

Сообщение prof3ss0r » 10 июн 2014, 23:02

Ну вышеописанные процедуры с винтовкой нужно было сделать в первую очередь. Я всегда и всем говорю: ПРЕЖДЕ ЧЕМ ГРЕШИТЬ НА РЕДУКТОР, СОГРЕШИ НА ВИНТОВКУ! :-) Как бы двусмысленно это не звучало.
Ну а мысли может я и сгенерировал бы какие, да вот только вводной информации по прежнему никакой - что за редуктор хотя бы понять...
А вообще неважно какое давление перед редуктором, 190, 200 там или хоть 300 - за редуктором должно быть стабильно.
Никогда не сомневайсятв том, в чем никто не уверен
Аватара пользователя
prof3ss0r
Гуру
 
Сообщения: 1827
Зарегистрирован: 31 мар 2013, 17:30
Репутация: 64 [ ? ]
Благодарил (а): 109 раз.
Поблагодарили: 382 раз.

Re: РЕДУКТОРЫ или как сделать скорость стабильной.

Сообщение shopot » 11 июн 2014, 23:17

Добрый вечер. Редуктор эдгановский.как и сам станок.
shopot
Профи
 
Сообщения: 420
Зарегистрирован: 08 июн 2014, 22:45
Репутация: 1 [ ? ]
Благодарил (а): 40 раз.
Поблагодарили: 56 раз.

Re: РЕДУКТОРЫ или как сделать скорость стабильной.

Сообщение prof3ss0r » 12 июн 2014, 01:05

Если редуктор такой-же как в видосе в теме сектантов, то это правильный..
И работать он должен правильно.
Проверь зажата ли дюза - там, как я понял, есть некое контрящее кольцо, с левой резьбой.
Если оно ослаблено, то давление за редуктором может меняться, в зависимости от давления перед ним.
Так же раскрути редуктор, и проинспектируй наличие мусора внутри.
Никогда не сомневайсятв том, в чем никто не уверен
Аватара пользователя
prof3ss0r
Гуру
 
Сообщения: 1827
Зарегистрирован: 31 мар 2013, 17:30
Репутация: 64 [ ? ]
Благодарил (а): 109 раз.
Поблагодарили: 382 раз.

Re: РЕДУКТОРЫ или как сделать скорость стабильной.

Сообщение shopot » 12 июн 2014, 16:34

Я это всё делал мусора точно нет 10000000% а вот с дюзой так сказать не могу при следующем т.о. обязательно проверю.Пока всё гуд .С УВАЖЕНИЕМ.
shopot
Профи
 
Сообщения: 420
Зарегистрирован: 08 июн 2014, 22:45
Репутация: 1 [ ? ]
Благодарил (а): 40 раз.
Поблагодарили: 56 раз.

Пред.След.

  • Похожие темы
    Ответы
    Просмотры
    Последнее сообщение

Кто сейчас на конференции

Сейчас этот форум просматривают: нет зарегистрированных пользователей и гости: 8