RIC писал(а):Скажите а вы сможете сделать редуктор на вт 65 хатсан,если да сколько это будет стоить?
Могу. Стоить будет как все - 80$. Подробности пиши в ЛС.
Модераторы: Darkroom, Konstantinovich, 116aavl, SanSanish
RIC писал(а):Скажите а вы сможете сделать редуктор на вт 65 хатсан,если да сколько это будет стоить?
Перерезать нужно на 1/8, тогда вкрутишь, и будешь наблюдать заредукторное давление.
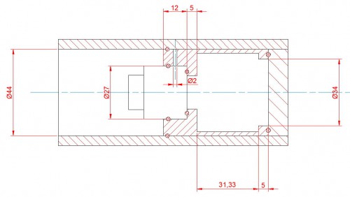
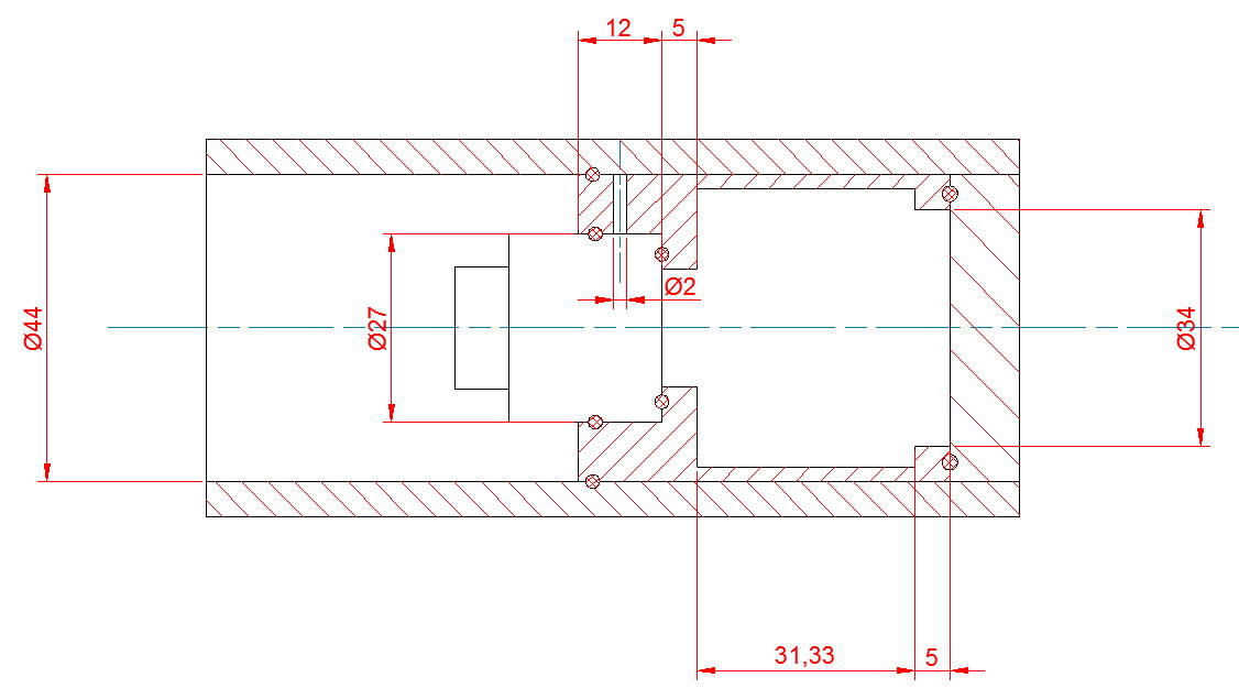
, может кто предложит надёжные варианты, простые, или как... Задняя пробка на 4 болтах. Лучше со слайдами.


Как бы двусмысленно это не звучало.Сейчас этот форум просматривают: нет зарегистрированных пользователей и гости: 11