Модератор: Yurkoff

Carter писал(а):а во скока вы оцениваете свое изобретение?


Avgust писал(а):Толково! Давай так оцени свой шедевр ведь не у всех руки под радио заточены один на нашу компанию взять реально и тебе хорошо без обид!
gaz_br писал(а):Avgust писал(а):Толково! Давай так оцени свой шедевр ведь не у всех руки под радио заточены один на нашу компанию взять реально и тебе хорошо без обид!
Тему создавал не для продажи, а как инструкцию к изготовлению...![]()
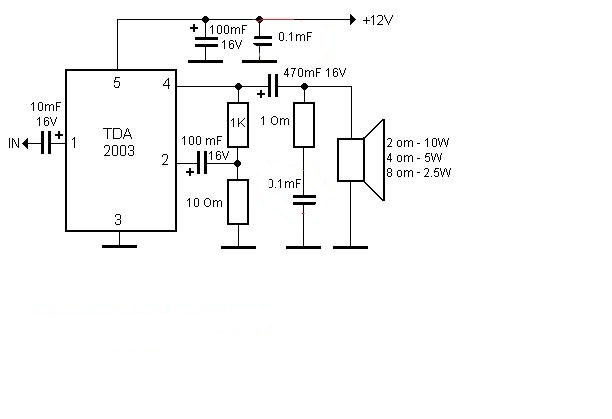
Для интересующихся схема:

gaz_br писал(а):Питание 8-16 Вольт.
Мощность 10 Ватт при 2 Омах
Бюджет:
Сирена - 65 тыс.
Коробка - 8 тыс.
Все остальное было. Итого 73 тыс. Против 200-300 у.е. за фирменный манок с громкоговорителем без д/у...
Качаем голоса зверей и птиц с манка Егерь или любого другого. Записываем на телефон или mp3-плеер. Пользуемся.
Проверено на воронах. Включал голос вороны с Егеря. Слетелись все окрестные вороны...
Сейчас этот форум просматривают: нет зарегистрированных пользователей и гости: 14