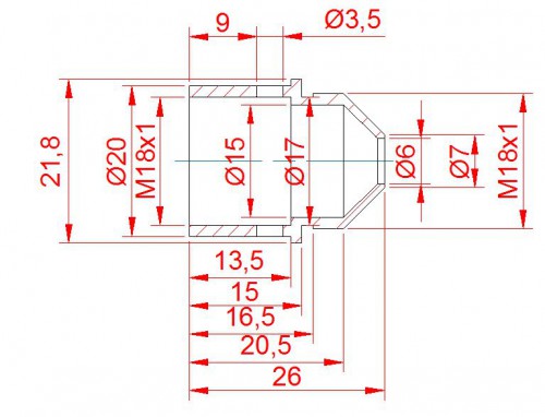
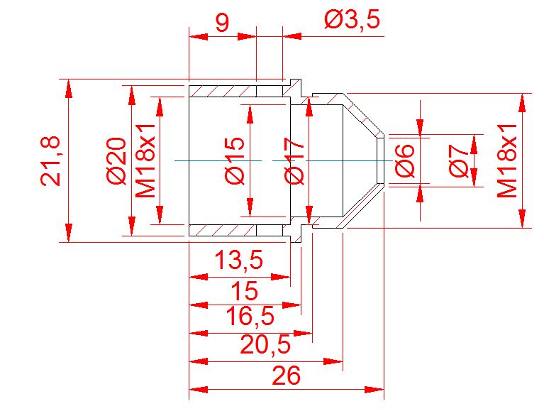
вот такие у Крюгера
Модераторы: Darkroom, Konstantinovich, 116aavl, SanSanish
Egorych1923 писал(а):116aavl спасибо
Такие найти бы
Egorych1923 писал(а):116aavl спасибо
Такие найти бы
Заранее спасибо.shopot писал(а):ну очень много резины


Сейчас этот форум просматривают: нет зарегистрированных пользователей и гости: 65