forum.Ohota.by в Telegram - ВОЙТИ

МР-654 модификации, аутентичность.

Все о пневматическом оружии, СПОРТИВНАЯ стрельба из пневматического оружия. Выбор, обслуживание, техника спортивной стрельбы, мишени.

Модераторы: Darkroom, Konstantinovich, 116aavl, SanSanish

Поделиться ...

Re: МР-654 модификации, аутентичность.

Сообщение 116aavl » 22 фев 2016, 14:00

Чему там вращатся - если межцентровое расстояние не мняется - вставка от родного магазина внутри :ne_vi_del: . У меня в обоих магазинах всё нормально


DSC_0352.JPG
Аватара пользователя
116aavl
Гуру
 
Сообщения: 5084
Зарегистрирован: 29 фев 2012, 16:41
Репутация: 29 [ ? ]
Благодарил (а): 754 раз.
Поблагодарили: 809 раз.

forum.Ohota.by в Telegram - ВОЙТИ

Re: МР-654 модификации, аутентичность.

Сообщение canep » 22 фев 2016, 21:18

116aavl писал(а):Чему там вращатся - если межцентровое расстояние не мняется - вставка от родного магазина внутри :ne_vi_del: . У меня в обоих магазинах всё нормально

116aavl , вот видишь , у тебя всё хорошо , у меня всё нормально :-): да и у других тоже , но ведь у кого то был касяк по этому вопросу - - зато теперь это актуальная проблема проблем :sh_ok: и руки то тут совсем ни при чём :-)

Блиииин, точно , вспомнил trolololo
Если руки ЗОЛОТЫЕ , то не важно , от куда они растут :sh_ok: ;;-)))
лучше иметь и не нуждаться, чем нуждаться но не иметь.
цена на завтра забывается, а качество помнишь всегда.
Аватара пользователя
canep
Аксакал
 
Сообщения: 265
Зарегистрирован: 27 авг 2013, 13:44
Откуда: Минск
Репутация: 13 [ ? ]
Награды: 3
За общественную деятельность! (1) Фотограф (1) Участник Фестиваля (1)
Благодарил (а): 95 раз.
Поблагодарили: 119 раз.

Re: МР-654 модификации, аутентичность.

Сообщение D_I_M_O_N » 23 фев 2016, 13:05

116aavl писал(а):Чему там вращатся - если межцентровое расстояние не мняется - вставка от родного магазина внутри :ne_vi_del: . У меня в обоих магазинах всё нормально

DSC_0352.JPG



просто с прорезанной рукоятью и восстановленными перемычками допуски на зазоры разные. в прорезанных есть место, а в восстановленных оно практически отсутствует, и малейшее смещение приводит к перекосу. это же очевидно.
D_I_M_O_N
Профи
 
Сообщения: 491
Зарегистрирован: 14 дек 2015, 12:53
Откуда: минск
Репутация: 2 [ ? ]
Благодарил (а): 17 раз.
Поблагодарили: 123 раз.

Re: МР-654 модификации, аутентичность.

Сообщение 116aavl » 23 фев 2016, 13:33

Об этом больше нужно думать при проведении сварочных работ. Подсунуть в ручку распорку надо, стянуть струбцинкой, чтобы при сварке ее не водило.

За это сообщение автора 116aavl поблагодарил:
canep
Аватара пользователя
116aavl
Гуру
 
Сообщения: 5084
Зарегистрирован: 29 фев 2012, 16:41
Репутация: 29 [ ? ]
Благодарил (а): 754 раз.
Поблагодарили: 809 раз.

Re: МР-654 модификации, аутентичность.

Сообщение canep » 23 фев 2016, 16:37

D_I_M_O_N писал(а):просто с прорезанной рукоятью и восстановленными перемычками допуски на зазоры разные. в прорезанных есть место, а в восстановленных оно практически отсутствует, и малейшее смещение приводит к перекосу. это же очевидно.


Чем меньше свободного места - меньше зазор ( При соединении двух деталей образуется посадка, определяемая разностью их размеров до сборки, т. е. величиной получающихся зазоров или натягов в соединении. Посадка характеризует свободу относительного перемещения соединяемых деталей или степень сопротивления их взаимному смещению -- о чём гласит наука о допусках и посадках :-) ) тем точнее устанавливается деталь на " своё место " ..
Почему, это, не очевидно :sh_ok: :du_ma_et:
лучше иметь и не нуждаться, чем нуждаться но не иметь.
цена на завтра забывается, а качество помнишь всегда.
Аватара пользователя
canep
Аксакал
 
Сообщения: 265
Зарегистрирован: 27 авг 2013, 13:44
Откуда: Минск
Репутация: 13 [ ? ]
Награды: 3
За общественную деятельность! (1) Фотограф (1) Участник Фестиваля (1)
Благодарил (а): 95 раз.
Поблагодарили: 119 раз.

Re: МР-654 модификации, аутентичность.

Сообщение D_I_M_O_N » 01 мар 2016, 17:34

116aavl писал(а):Чему там вращатся - если межцентровое расстояние не мняется - вставка от родного магазина внутри :ne_vi_del: . У меня в обоих магазинах всё нормально


DSC_0352.JPG



приобрел магазин от ПМ, буду интегрировать. поделитесь опытом.
сначала обточить пневмомагазин под вставку? сточить сбоков и обточить пятку. потом подгонять корпус от ПМ. а как вы фиксируете все это?
сварка, штифты?
D_I_M_O_N
Профи
 
Сообщения: 491
Зарегистрирован: 14 дек 2015, 12:53
Откуда: минск
Репутация: 2 [ ? ]
Благодарил (а): 17 раз.
Поблагодарили: 123 раз.

Re: МР-654 модификации, аутентичность.

Сообщение canep » 01 мар 2016, 20:07

Как сам понимаешь, оптимальный вариант - это сварки, даже полуавтомат отлично подходит для этой цели. По обработке - интеграции на ганзе очень подробно описал Инженер ААК
лучше иметь и не нуждаться, чем нуждаться но не иметь.
цена на завтра забывается, а качество помнишь всегда.
Аватара пользователя
canep
Аксакал
 
Сообщения: 265
Зарегистрирован: 27 авг 2013, 13:44
Откуда: Минск
Репутация: 13 [ ? ]
Награды: 3
За общественную деятельность! (1) Фотограф (1) Участник Фестиваля (1)
Благодарил (а): 95 раз.
Поблагодарили: 119 раз.

Re: МР-654 модификации, аутентичность.

Сообщение 116aavl » 01 мар 2016, 20:48

D_I_M_O_N писал(а):поделитесь опытом.
сначала обточить пневмомагазин под вставку? сточить сбоков и обточить пятку. потом подгонять корпус от ПМ. а как вы фиксируете все это?
сварка, штифты?

всё именно так, фотки я выкладывал - осторожно точите только в районе болта поджимного - там от резьбы по бокам меньше миллиметра мяса остается. Если кто найдет нормального сварщика - дайте координаты плиз. Сварочник инвертер + полуавтомат есть у самого, но до него раньше лета не добирусь, да и полуавтоматом не варил никогда. Лучше доверить профессианалу, тем более что надо всего на 1 магазин - 7 сварных точек.
Аватара пользователя
116aavl
Гуру
 
Сообщения: 5084
Зарегистрирован: 29 фев 2012, 16:41
Репутация: 29 [ ? ]
Благодарил (а): 754 раз.
Поблагодарили: 809 раз.

Re: МР-654 модификации, аутентичность.

Сообщение D_I_M_O_N » 02 мар 2016, 13:22

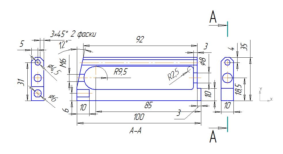
может есть чертеж этой вставки где-нибудь? не хочется портить стоковый магазин, и поджимной винт можно меньшего диаметра сделать заодно.

картинка в содиде
Вложения
10525649.jpg
D_I_M_O_N
Профи
 
Сообщения: 491
Зарегистрирован: 14 дек 2015, 12:53
Откуда: минск
Репутация: 2 [ ? ]
Благодарил (а): 17 раз.
Поблагодарили: 123 раз.

Re: МР-654 модификации, аутентичность.

Сообщение 116aavl » 02 мар 2016, 14:23

ее изготовить наверное на коленке не удастся - быстрее родной магазин перепилить. Вот я когдато такой чертеж гдето раскапал (возможно он от МР-656).
А вообще если уж фрезеровать в заводских условиях - то от оригинального магазина взять только пятку, а от пневматического голову, остальное цельной болванкой выпилить. Это проще и надежнее - без всяких сварок.

10371834.jpg
Аватара пользователя
116aavl
Гуру
 
Сообщения: 5084
Зарегистрирован: 29 фев 2012, 16:41
Репутация: 29 [ ? ]
Благодарил (а): 754 раз.
Поблагодарили: 809 раз.

Re: МР-654 модификации, аутентичность.

Сообщение D_I_M_O_N » 02 мар 2016, 15:32

это чертеж вкладки магазина от 656. я его видел. с цельно-фрезерованным магазином это тема. но как полочку для зацепа пятки сделать? пластину прикручивать, приваривать? ну и зуб зацепа тоже вопрос. если конечно это не супер-пупер ЧПУ станок.
думаю лучше все же смотреться будет интегрированный.
D_I_M_O_N
Профи
 
Сообщения: 491
Зарегистрирован: 14 дек 2015, 12:53
Откуда: минск
Репутация: 2 [ ? ]
Благодарил (а): 17 раз.
Поблагодарили: 123 раз.

Re: МР-654 модификации, аутентичность.

Сообщение 116aavl » 02 мар 2016, 15:50

D_I_M_O_N писал(а):но как полочку для зацепа пятки сделать? пластину прикручивать, приваривать?

пластину прикрутить на 2 болтика М2 например спереди и сзади или просверлить 2 отверстия и 2 сварные точки сделать в них.

D_I_M_O_N писал(а):ну и зуб зацепа тоже вопрос

в моем он сделан из куска пружины от родного магазина, которая просто в просверленные 2 отверстия вставлена. Можно просто из проволоки подходящей по диаметру его сделать.


Тут основная беда, что точного чертежа всей этой конструкции трудно сделать - надо всё практически по месту продгонять.
Аватара пользователя
116aavl
Гуру
 
Сообщения: 5084
Зарегистрирован: 29 фев 2012, 16:41
Репутация: 29 [ ? ]
Благодарил (а): 754 раз.
Поблагодарили: 809 раз.

Re: МР-654 модификации, аутентичность.

Сообщение D_I_M_O_N » 03 мар 2016, 11:03

имелся ввиду зуб зацепа магазина в рукояти, а не пятки.
и подгонять конечно придется по месту, но точить явно меньше чем родной. + не портить оригинальный магазин, ибо дорого ппц.
D_I_M_O_N
Профи
 
Сообщения: 491
Зарегистрирован: 14 дек 2015, 12:53
Откуда: минск
Репутация: 2 [ ? ]
Благодарил (а): 17 раз.
Поблагодарили: 123 раз.

Re: МР-654 модификации, аутентичность.

Сообщение 116aavl » 03 мар 2016, 11:35

D_I_M_O_N писал(а):не портить оригинальный магазин, ибо дорого ппц

А его уже всунуть больше не удастся, если заварить перемычки (если мы говорим про рамку с тонкой ручкой) :ne_vi_del: . Так что можно смело пилить.
Аватара пользователя
116aavl
Гуру
 
Сообщения: 5084
Зарегистрирован: 29 фев 2012, 16:41
Репутация: 29 [ ? ]
Благодарил (а): 754 раз.
Поблагодарили: 809 раз.

Re: МР-654 модификации, аутентичность.

Сообщение D_I_M_O_N » 03 мар 2016, 15:59

116aavl писал(а):
D_I_M_O_N писал(а):не портить оригинальный магазин, ибо дорого ппц

А его уже всунуть больше не удастся, если заварить перемычки (если мы говорим про рамку с тонкой ручкой) :ne_vi_del: . Так что можно смело пилить.


а такое решение?

2 и 3 как у меня решение, только во 2-м случаи прорезь сделана, чтоб баллон не упирался в перегородку. возможно (скорее всего) у меня по этой причине и перекашивает при поджатии. надо в 1-м 32 так доработать.
а второй пока не знаю..
Вложения
soytz7QN.jpg
soytz7QN.jpg (45.8 КБ) Просмотров: 3110
12604338.jpg
11927613.jpg
D_I_M_O_N
Профи
 
Сообщения: 491
Зарегистрирован: 14 дек 2015, 12:53
Откуда: минск
Репутация: 2 [ ? ]
Благодарил (а): 17 раз.
Поблагодарили: 123 раз.

Пред.След.

Кто сейчас на конференции

Сейчас этот форум просматривают: нет зарегистрированных пользователей и гости: 12