Решил создать темку по китайчатам.
Столкнулся с разборкой и обслуживанием - накопал немного инфы - чтобы другим легче было.
ТТХ:
Серия "QB" имеет прозвище " КВАКЕНБУШ" - Генри Квакенбуш когда-то в Америке изобретал что-то по теме. Все винтовки типа QB 36,QB36-1,QB36-2,TECH FORCE 99,ТЕХНИЧЕСКАЯ ГРУППА 99,-родственники и внешне похожи.Серию QB36-2 изготовили в Шанхае для UMAREX. HAMMERLI в данном случае есть продажа бренда -как в старину высокородные, но обедневшие бароны продавали титул и герб.Швейцарцы настолько далеко ушли в мир высококлассного спортивного оружия ,что им жить не с чего-нет объемов продаж.Правда ,они выставили условие качества конструкции, товара и материалов-чтоб дотянуть до "нестыдного" уровня .Результат -вполне приличная по конструкции винтовка с хорошей отделкой и выровненными потребительскими качествами. Деталь интересная-в рукояти ложа сидит усилительный винт хорошего размера ,он же-стопор перемещения винтовки в ложе. Получается ,что железо "сидит на пятке" компрессора и винты в ложе не нагружены.Кстати,все вышеперечисленные КВАКЕНБУШи оригинальны-никто не сможет сказать,что -"ЭТО ***** "Напоминает,да ,и HW ,NORICA-но прямых ссылок нет и надо признать их самостоятельной конструкцией. Может потому и посыл такой,что КВАКЕНБУШ.
Ближайший конкурент -GAMO CFX ,NORICA QUCK,где то-далеко впереди-HW77.
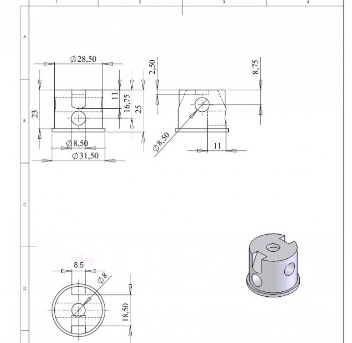
Пружина к ней подойдет нориковская или "старая" вари 77 Д- 18,5, L - 310 42 витка.Размер компрессора 25*100 -можно посмотреть,у кого еще такой.
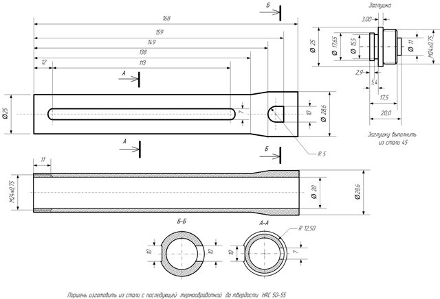
Разгон возможен за счет установки утяжелителя в поршень и более злой пружины ,но честно говоря,не советую играться,изделие очень выровнянное по всем качествам и усилив что либо ,что-то потеряешь.Стволы QB36 и HAMMERLI одинаковы и есть техническая возможность перестволить на 5.5 .
Некоторую проблему составляет спуск.Регулировок нет,слишком легкий и неинформативный.
А уж как собирать СМ! Я реально провозился хрен знает сколько времени.
Сначала взрыв-схема.
Ну и УСМ
