forum.Ohota.by в Telegram - ВОЙТИ

Фрезеровка дерева, пластиков, цветных металлов на ЧПУ

Специаизированная барахолка. Купля, продажа, обмен пневматики, ММГ и сопутствующего. Только для участников группы пневматика. Перед публикацией читаем правила форума!

Модераторы: Darkroom, Konstantinovich, 116aavl, SanSanish

Правила форума
Общие положения:
Раздел предназначен для продажи, покупки или обмена изделиями конструктивно схожими с оружием. В раздел принимаются ТОЛЬКО частные объявления, коммерческие темы могут быть удалены.

ПРОДАЖА ТОЛЬКО КОНСТРУКТИВНО СХОДНЫХ С ОРУЖИЕМ ИЗДЕЛИЙ (ДО 3 ДЖ) и ММГ, продажа и покупка СХП , охолощённого и т.п. оружия запрещена
РАЗМЕЩЕНИЕ ОБЪЯВЛЕНИЙ ПО ПРЕДЛОЖЕНИЮ УСЛУГ ПО ИЗГОТОВЛЕНИЮ ПНЕВМАТИЧЕСКОГО ОРУЖИЯ ИЛИ ПО УСИЛЕНИЮ СЕРИЙНЫХ ОБРАЗЦОВ ЗАПРЕЩЕНО


ПРОДАЖА ПРИЦЕЛОВ НОЧНОГО ВИДЕНИЯ А ТАК ЖЕ НОЧНЫХ НАСАДОК НА ОПТИЧЕСКИЕ ПРИЦЕЛЫ, ЦИФРОВЫХ И ТЕПЛОВИЗИОННЫХ ПРИЦЕЛОВ И МОНОКУЛЯРОВ (БИНОКЛЕЙ, ГЛЯДЕ́ЛОК И Т.П. ) В ДАННОМ РАЗДЕЛЕ ЗАПРЕЩЕНА.

{Будет дополнено}

1. Создание тем:

1.1 Использование в названии темы ПРОПИСНЫХ БУКВ недопустимо! Исключение составляют аббревиатуры.

1.2 При создании темы прямо в названии темы указывайте как можно больше информации о товаре.
Недопустимы названия типа: “куплю”, “продам”, “продам срочно ” - не тратьте время, такие темы будут удалены.
В названии темы ОБЯЗАТЕЛЬНО должен быть указан предмет сделки!
Пример правильной темы:
“Продам сейф для ружья 820 x 200 x 195 мм. Минск.”
“Продам ИЖ-58М, 12 калибр”

1.3 В первом сообщении темы должна быть указана цена товара в белорусских рублях! Условия приобретения, обязательно реальное фото ( не из интернета ) продаваемого товара.

2. Правила публикации сообщений:

2.1 Цена продаваемого товара должна быть указана в белорусских рублях! - "еноты", "уе", "обамки" и прочие - повод для удаления темы модератором. Цена указывается обязательно! Объявления без цены могут быть удалены без предупреждения.

2.2 Запрещается ругань, оскорбления участников, частое использование Caps Lock, матерной речи и непонятной всем лексики. Возможна блокировка без предупреждения, не важно кто прав - не отвечайте ругательством на ругательство.

2.3 Любой продавец в праве продавать ЛЮБОЙ свой товар за любою цену, какую он желает. Если Вы не планируете покупать, то, что предложено в объявлении, обсуждение цены продавца в сторону ее занижения или завышения - ЗАПРЕЩЕНО! В теме допустимо лишь уточнение характеристик товара, запрос дополнительной информации, либо уточнение цены.

2.4 Запрещается размещать свои объявления, свои контактные данные или ссылки на свои темы в чужих темах (кроме случаев, когда идет обмен, или это явно попросил автор темы).

2.5 За указанные нарушения может последовать блокировка вплоть до бессрочной.

2.6 Поднятие темы о продаже без изменения цены или изменения характеристик товаров чаще чем 1 раз в 5 дней запрещается.
Под поднятием темы понимается написание чего угодно в своей теме ("Ап", "в продаже", "актуально" и т.д.). Исключением является ответы на вопросы пользователей.

2.6.1 На поставленный уточняющий вопрос о предмете продажи следует отвечать в теме. Кроме случаев, когда сам вопрос связан с личной информацией. Разрешено дублировать ответ в личку.

2.7 Обсуждение действий модератора в любой теме данного раздела запрещено.

Модератор может удалять любые сообщения, в которых будут допущены нарушения правил, а злостным нарушителям доступ в раздел будет закрываться полностью. :uch_tiv:
Поделиться ...

Re: Фрезеровка дерева, пластиков, цветных металлов на ЧПУ

Сообщение ВМР » 27 янв 2016, 09:38

Aviator73 писал(а):
garry79 писал(а):Aviator73,
подскажите - сможете ли сделать лоток (дюраль, либо пластик)?



Беда что нет фрезы с сферическим концом Ф5мм, в наличии только Ф6мм.
Завтра попробую фрезернуть, вечером сообщу.

Можно сразу в заготовке просверлить отверстие Ф5, а дальше без проблем.
Аватара пользователя
ВМР
Гуру
 
Сообщения: 1654
Зарегистрирован: 15 авг 2015, 21:35
Откуда: Брест
Репутация: 14 [ ? ]
Благодарил (а): 199 раз.
Поблагодарили: 407 раз.

forum.Ohota.by в Telegram - ВОЙТИ

Re: Фрезеровка дерева, пластиков, цветных металлов на ЧПУ

Сообщение Aviator73 » 27 янв 2016, 10:17

Можно, дуба немного есть в наличии. Вы территориально где находитесь?
Аватара пользователя
Aviator73
Аксакал
 
Сообщения: 302
Зарегистрирован: 14 янв 2014, 22:27
Откуда: Минск
Репутация: 3 [ ? ]
Благодарил (а): 29 раз.
Поблагодарили: 54 раз.

Re: Фрезеровка дерева, пластиков, цветных металлов на ЧПУ

Сообщение Aviator73 » 27 янв 2016, 11:04

ВМР писал(а):Можно сразу в заготовке просверлить отверстие Ф5, а дальше без проблем.


Так и сделал :smu:sche_nie:

Изображение
Аватара пользователя
Aviator73
Аксакал
 
Сообщения: 302
Зарегистрирован: 14 янв 2014, 22:27
Откуда: Минск
Репутация: 3 [ ? ]
Благодарил (а): 29 раз.
Поблагодарили: 54 раз.

Re: Фрезеровка дерева, пластиков, цветных металлов на ЧПУ

Сообщение pablopicasso1619 » 27 янв 2016, 11:31

Aviator73
кррррррасота :co_ol:
лучше калымить в Гондурасе-чем гондурасить на колыме
Аватара пользователя
pablopicasso1619
Гуру
 
Сообщения: 7714
Зарегистрирован: 03 апр 2015, 23:26
Откуда: гондурас-сити
Репутация: 39 [ ? ]
Награды: 1
За особый вклад в жизнь форума (1)
Благодарил (а): 929 раз.
Поблагодарили: 1185 раз.

Re: Фрезеровка дерева, пластиков, цветных металлов на ЧПУ

Сообщение prevedik » 27 янв 2016, 15:49

Вот есть же люди рукастые, таким бы да вожжи правления в руки - глядишь и поднимется народ с колен. :bra_vo:
если мент не твой друг - он твой враг. © 2012

За это сообщение автора prevedik поблагодарил:
iceman86
Аватара пользователя
prevedik
Полноправный участник
 
Сообщения: 13
Зарегистрирован: 26 дек 2015, 16:50
Откуда: minsk
Репутация: 0 [ ? ]
Благодарил (а): 0 раз.
Поблагодарили: 1 раз.

Re: Фрезеровка дерева, пластиков, цветных металлов на ЧПУ

Сообщение pablopicasso1619 » 27 янв 2016, 15:57

prevedik писал(а):Вот есть же люди рукастые, таким бы да вожжи правления в руки - глядишь и поднимется народ с колен. :bra_vo:

экххе-хе.тут головастые надо.а рукастые нам самим нужны :-)
лучше калымить в Гондурасе-чем гондурасить на колыме
Аватара пользователя
pablopicasso1619
Гуру
 
Сообщения: 7714
Зарегистрирован: 03 апр 2015, 23:26
Откуда: гондурас-сити
Репутация: 39 [ ? ]
Награды: 1
За особый вклад в жизнь форума (1)
Благодарил (а): 929 раз.
Поблагодарили: 1185 раз.

Re: Фрезеровка дерева, пластиков, цветных металлов на ЧПУ

Сообщение odisva » 27 янв 2016, 17:35

prevedik писал(а):Вот есть же люди рукастые, таким бы да вожжи правления в руки - глядишь и поднимется народ с колен. :bra_vo:

управлять и создавать разные вещи :mi_ga_et: . Нужно, что бы каждый своим делом занимался :uch_tiv:
Мы те, кто слушал "Сектор Газа" и "Ласковый май"; мы те, кого мамы звали домой крича с балкона; мы те, кто писал письма бумажные, а не sms; мы те, чьи друзья были не online, а во дворе; мы те, кто играл не в сетевые игры, а в прятки. Наше детство было ЛУЧШЕЕ!!

За это сообщение автора odisva поблагодарили - 2:
pablopicasso1619, ssdf
Аватара пользователя
odisva
Гуру
 
Сообщения: 5371
Зарегистрирован: 10 июн 2013, 12:58
Откуда: Гародня
Репутация: 11 [ ? ]
Благодарил (а): 387 раз.
Поблагодарили: 828 раз.

Re: Фрезеровка дерева, пластиков, цветных металлов на ЧПУ

Сообщение kosmodey » 27 янв 2016, 19:21

Aviator73 писал(а):Можно, дуба немного есть в наличии. Вы территориально где находитесь?

ШТАТ Гродно.тел. если можно в личку
Аватара пользователя
kosmodey
Профи
 
Сообщения: 636
Зарегистрирован: 24 янв 2015, 14:12
Репутация: 3 [ ? ]
Благодарил (а): 38 раз.
Поблагодарили: 38 раз.

Re: Фрезеровка дерева, пластиков, цветных металлов на ЧПУ

Сообщение Aviator73 » 29 янв 2016, 10:50

Восьмерки из стеклотекстолита и лотки
Изображение

За это сообщение автора Aviator73 поблагодарили - 2:
odisva, wladimirmozyr
Аватара пользователя
Aviator73
Аксакал
 
Сообщения: 302
Зарегистрирован: 14 янв 2014, 22:27
Откуда: Минск
Репутация: 3 [ ? ]
Благодарил (а): 29 раз.
Поблагодарили: 54 раз.

Re: Фрезеровка дерева, пластиков, цветных металлов на ЧПУ

Сообщение volf.serzh » 30 янв 2016, 23:17

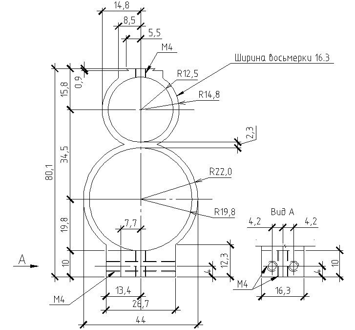
чертёж восьмёрки. только между резиком и модером там где указано 2.3мм надо 2мм :dr_ink:
Вложения
10815057.jpg
Пуля очень многое меняет в голове, даже если попадает в задницу.
Аватара пользователя
volf.serzh
Гуру
 
Сообщения: 1180
Зарегистрирован: 22 окт 2014, 08:50
Репутация: 3 [ ? ]
Благодарил (а): 54 раз.
Поблагодарили: 36 раз.

Re: Фрезеровка дерева, пластиков, цветных металлов на ЧПУ

Сообщение offworker » 31 янв 2016, 21:17

тоже нуждаюсь

если надо, могу кусочек фторопласта прислать
Вложения
Безымянный.jpg
лоток
Безымянный.jpg (30.24 КБ) Просмотров: 7897
IMG11366.jpg
втулка
IMG11368.jpg
катушка
Аватара пользователя
offworker
Гуру
 
Сообщения: 2134
Зарегистрирован: 08 май 2015, 20:20
Откуда: Минск
Репутация: 19 [ ? ]
Благодарил (а): 286 раз.
Поблагодарили: 548 раз.

Re: Фрезеровка дерева, пластиков, цветных металлов на ЧПУ

Сообщение Aviator73 » 01 фев 2016, 08:45

offworker писал(а):тоже нуждаюсь

если надо, могу кусочек фторопласта прислать


Лоток можно сделать, а вот токарного станка нет, втулки не могу... :smu:sche_nie:
Аватара пользователя
Aviator73
Аксакал
 
Сообщения: 302
Зарегистрирован: 14 янв 2014, 22:27
Откуда: Минск
Репутация: 3 [ ? ]
Благодарил (а): 29 раз.
Поблагодарили: 54 раз.

Re: Фрезеровка дерева, пластиков, цветных металлов на ЧПУ

Сообщение volf.serzh » 04 фев 2016, 08:52

Вот то что мне надо
Вложения
IMG_20160204_084959.jpg
Пуля очень многое меняет в голове, даже если попадает в задницу.
Аватара пользователя
volf.serzh
Гуру
 
Сообщения: 1180
Зарегистрирован: 22 окт 2014, 08:50
Репутация: 3 [ ? ]
Благодарил (а): 54 раз.
Поблагодарили: 36 раз.

Re: Фрезеровка дерева, пластиков, цветных металлов на ЧПУ

Сообщение Aviator73 » 07 фев 2016, 13:20

Очередная партия деталюшек:

Изображение


Заказываем ложи, подходим, не стнсняемся :-)
Аватара пользователя
Aviator73
Аксакал
 
Сообщения: 302
Зарегистрирован: 14 янв 2014, 22:27
Откуда: Минск
Репутация: 3 [ ? ]
Благодарил (а): 29 раз.
Поблагодарили: 54 раз.

Re: Фрезеровка дерева, пластиков, цветных металлов на ЧПУ

Сообщение JohnFrum » 07 фев 2016, 13:43

Очень круто! Действительно.
Вот только сколько не наблюдаю за темой - никаких намёков на стоимость не усматриваю.
Это, что - всё безплатно штоле?
Тогда и мне заверните - два! :-)
Глупо искать в чёрной комнате чёрную кошку. Ещё глупее - искать чёрную мамбу.
Особенно, если она там есть.
Аватара пользователя
JohnFrum
Гуру
 
Сообщения: 1299
Зарегистрирован: 09 ноя 2015, 14:49
Откуда: Минск
Репутация: 6 [ ? ]
Благодарил (а): 91 раз.
Поблагодарили: 230 раз.

Пред.След.

  • Похожие темы
    Ответы
    Просмотры
    Последнее сообщение

Кто сейчас на конференции

Сейчас этот форум просматривают: 6441bm3777, Bing [Bot], butcbutc, Eg и гости: 52