forum.Ohota.by в Telegram - ВОЙТИ

МР-654 модификации, аутентичность.

Все о пневматическом оружии, СПОРТИВНАЯ стрельба из пневматического оружия. Выбор, обслуживание, техника спортивной стрельбы, мишени.

Модераторы: Darkroom, Konstantinovich, 116aavl, SanSanish

Поделиться ...

Re: МР-654 модификации, аутентичность.

Сообщение nemoi_m » 23 апр 2014, 15:17

116aavl писал(а):полуавтоматом пару точек надо сделать - спрашивай там где кузовщину автомобильную варят и глушители, правда сварщики увидев деталь, многие откажутся - они пугливые, как токаря :-)

Пару точками тут не обойтись. Может на форуме есть кто может заварить и обточить ?
С токарями уже такая тема проходила :-):
Аватара пользователя
nemoi_m
Профи
 
Сообщения: 682
Зарегистрирован: 27 фев 2014, 22:48
Откуда: Минск
Репутация: 11 [ ? ]
Благодарил (а): 94 раз.
Поблагодарили: 101 раз.

forum.Ohota.by в Telegram - ВОЙТИ

Re: МР-654 модификации, аутентичность.

Сообщение 116aavl » 19 май 2014, 19:36

Замутил сегодня фторопластовую прокладочку в казну 654го :co_ol: , вначале выточил на станке по чертежу что в нете нарыл, а потом в шуруповерте надфилем доводил. Зато сейчас магазин заходит туго и никаких люфтов-сифонов :dan_ser: . Только чтобы прокладка оставалась менее ужатой надо без магазина хранить. Надо тоже самое на СОБРе проделать
006.JPG
Аватара пользователя
116aavl
Гуру
 
Сообщения: 5084
Зарегистрирован: 29 фев 2012, 16:41
Репутация: 29 [ ? ]
Благодарил (а): 754 раз.
Поблагодарили: 809 раз.

Re: МР-654 модификации, аутентичность.

Сообщение canep » 19 май 2014, 21:16

Вот такие уж как пол года почти ставлю (десятка полтора где-то уже засабачил). Больше чем надо не ужмётся, так как голова магазина давит не под постоянным усилием. Если и образуется зазор одну-две сотки, то он будет выбран при ударе курка по ударнику - клапану - пружине, ну и в следствии чего голова сместится-прижмётся плотнее к прокладке. Ну и те потери СО2 которые и возможны в данном узле ну ни как не соизмеримы с потерями, которые улетают в магазин (в узел подачи шариков).
У меня сначала стояла фторопластовая, потом замастячил полиуретановую, разницы не заметил.
Вложения
DSC03925.jpg
DSC03927.jpg
лучше иметь и не нуждаться, чем нуждаться но не иметь.
цена на завтра забывается, а качество помнишь всегда.
Аватара пользователя
canep
Аксакал
 
Сообщения: 265
Зарегистрирован: 27 авг 2013, 13:44
Откуда: Минск
Репутация: 13 [ ? ]
Награды: 3
За общественную деятельность! (1) Фотограф (1) Участник Фестиваля (1)
Благодарил (а): 95 раз.
Поблагодарили: 119 раз.

Re: МР-654 модификации, аутентичность.

Сообщение canep » 19 май 2014, 23:56

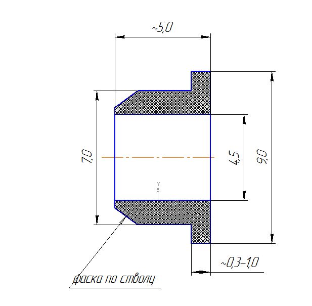
Размеры установочные могут быть иными. В каждом конкретном случае подбираются по глубине посадки, толщине бортика (в зависимости от зазора), и фаска по форме среза стволика (входное отверстие).
Вложения
втулка фторопласт.JPG
лучше иметь и не нуждаться, чем нуждаться но не иметь.
цена на завтра забывается, а качество помнишь всегда.
Аватара пользователя
canep
Аксакал
 
Сообщения: 265
Зарегистрирован: 27 авг 2013, 13:44
Откуда: Минск
Репутация: 13 [ ? ]
Награды: 3
За общественную деятельность! (1) Фотограф (1) Участник Фестиваля (1)
Благодарил (а): 95 раз.
Поблагодарили: 119 раз.

Re: МР-654 модификации, аутентичность.

Сообщение canep » 19 май 2014, 23:59

Более старая модификация прокладки
Вложения
ствольная прокладка.gif
лучше иметь и не нуждаться, чем нуждаться но не иметь.
цена на завтра забывается, а качество помнишь всегда.
Аватара пользователя
canep
Аксакал
 
Сообщения: 265
Зарегистрирован: 27 авг 2013, 13:44
Откуда: Минск
Репутация: 13 [ ? ]
Награды: 3
За общественную деятельность! (1) Фотограф (1) Участник Фестиваля (1)
Благодарил (а): 95 раз.
Поблагодарили: 119 раз.

Re: МР-654 модификации, аутентичность.

Сообщение 116aavl » 20 май 2014, 06:19

Вот я по чертежу, что снизу слева точил, а потом еще надфилем в шуруповерте доводил ее.,ну и еще немного после установки надфилем снизу подровнял ее, чтобы замятия не было.
Аватара пользователя
116aavl
Гуру
 
Сообщения: 5084
Зарегистрирован: 29 фев 2012, 16:41
Репутация: 29 [ ? ]
Благодарил (а): 754 раз.
Поблагодарили: 809 раз.

Re: МР-654 модификации, аутентичность.

Сообщение ggoblomov » 31 май 2014, 16:59

nemoi_m писал(а):
116aavl писал(а):полуавтоматом пару точек надо сделать - спрашивай там где кузовщину автомобильную варят и глушители, правда сварщики увидев деталь, многие откажутся - они пугливые, как токаря :-)

Пару точками тут не обойтись. Может на форуме есть кто может заварить и обточить ?
С токарями уже такая тема проходила :-):

Исправили? Тут хорошо бы автогеном,горелочкой на ацетилене,не спеша наварить... А вообще,если хорошо сделаете,будет потрясающая иллюстрация-аргумент в споре о том,какой пистолет лучше-наши"родные" МП,или чуждые идеологически,всякие пластмассово-силуминовые игрушечки!!! Попробуй,сделай,сломанный (можно марки и звучные имена много перечислять...) силуминовый агрегат,или пластиковый?!!! Приносили пару раз,знаю,о чём речь... :st_ruskiy:
С Днём Победы,товарищи!
ggoblomov
Гуру
 
Сообщения: 3611
Зарегистрирован: 14 авг 2013, 19:32
Репутация: 19 [ ? ]
Благодарил (а): 2102 раз.
Поблагодарили: 676 раз.

Re: МР-654 модификации, аутентичность.

Сообщение Kappalon » 17 июн 2014, 23:26

Как добиться результата в 170 м/сек или выше, из доработок у меня на 32, заменена газ камера с фрезой под гайку ствола с зацепом, соотвецтвено сама гайка ствола с зацепом, полеуретановая прокладка, гладкий ствол и удлинитель (фальшглушак)! С газ камерой и клапаном не чего не мудрил. При всем этом скорость 158-161! Буду очень пизнателен если накините идею доработок или кто может помочь расточить камеру и клапон воронить ствольную коробку и детальки, А ГЛАВНОЕ укрепить сваркой раму рукояти! +375291866500 Эдуард! Разумеется не за бесплатно!
Kappalon
Новичок
 
Сообщения: 5
Зарегистрирован: 17 июн 2014, 12:30
Откуда: Минск - Каменная горка
Репутация: 0 [ ? ]
Благодарил (а): 0 раз.
Поблагодарили: 0 раз.

Re: МР-654 модификации, аутентичность.

Сообщение 116aavl » 17 июн 2014, 23:58

Kappalon писал(а):Как добиться результата в 170 м/сек


Kappalon писал(а):При всем этом скорость 158-161!


ведродыр будет ? :sh_ok:
Аватара пользователя
116aavl
Гуру
 
Сообщения: 5084
Зарегистрирован: 29 фев 2012, 16:41
Репутация: 29 [ ? ]
Благодарил (а): 754 раз.
Поблагодарили: 809 раз.

Re: МР-654 модификации, аутентичность.

Сообщение Kappalon » 18 июн 2014, 17:19

Такой ответ обнадеживающий, ахахаха как смешно...
Kappalon
Новичок
 
Сообщения: 5
Зарегистрирован: 17 июн 2014, 12:30
Откуда: Минск - Каменная горка
Репутация: 0 [ ? ]
Благодарил (а): 0 раз.
Поблагодарили: 0 раз.

Re: МР-654 модификации, аутентичность.

Сообщение Kappalon » 18 июн 2014, 17:19

116aavl писал(а):
Kappalon писал(а):Как добиться результата в 170 м/сек


Kappalon писал(а):При всем этом скорость 158-161!


ведродыр будет ? :sh_ok:



Такой ответ обнадеживающий, ахахаха как смешно...
Kappalon
Новичок
 
Сообщения: 5
Зарегистрирован: 17 июн 2014, 12:30
Откуда: Минск - Каменная горка
Репутация: 0 [ ? ]
Благодарил (а): 0 раз.
Поблагодарили: 0 раз.

Re: МР-654 модификации, аутентичность.

Сообщение 116aavl » 18 июн 2014, 18:55

Kappalon
я пытаюсь понять смысл такую скорость из него выжимать ? всеравно шариком это будет 5 джоулей, точность и дальность не прибавятся особо :ne_vi_del: перерасход углекислоты - это да, будет .
Аватара пользователя
116aavl
Гуру
 
Сообщения: 5084
Зарегистрирован: 29 фев 2012, 16:41
Репутация: 29 [ ? ]
Благодарил (а): 754 раз.
Поблагодарили: 809 раз.

Re: МР-654 модификации, аутентичность.

Сообщение canep » 18 июн 2014, 19:26

116aavl писал(а):Kappalon
я пытаюсь понять смысл такую скорость из него выжимать ? всеравно шариком это будет 5 джоулей, точность и дальность не прибавятся особо :ne_vi_del: перерасход углекислоты - это да, будет .

Ну хочется человеку,а почему бы и нет.
Тем более это происходит по собственной воле - не по принуждению.
А как увлечённые самоделкины вкладывают деньги - материалы, время и силы в ёжики, а потом продают их по цене реально ниже , чем было вложено - вооще не понятно, если можно было купить сразу какой нить бенжик или армсик.
У каждого свои тараканы в голове - и я считаю, что это хорошо когда у кого-то есть желание чёто творить, к чему-то стремиться :ya_hoo_oo: .
116aavl - тыж и сам такой - доводишь до ума - окультуриваешь свои "игрушки" :-):
лучше иметь и не нуждаться, чем нуждаться но не иметь.
цена на завтра забывается, а качество помнишь всегда.

За это сообщение автора canep поблагодарил:
ggoblomov
Аватара пользователя
canep
Аксакал
 
Сообщения: 265
Зарегистрирован: 27 авг 2013, 13:44
Откуда: Минск
Репутация: 13 [ ? ]
Награды: 3
За общественную деятельность! (1) Фотограф (1) Участник Фестиваля (1)
Благодарил (а): 95 раз.
Поблагодарили: 119 раз.

Re: МР-654 модификации, аутентичность.

Сообщение 116aavl » 18 июн 2014, 20:15

canep писал(а):116aavl - тыж и сам такой - доводишь до ума - окультуриваешь свои "игрушки" :-):

ну не без того, есть у меня один магазин перепиленый - с ним с короткого ствола 110 мысов и ошметки углекислоты вылетают - выстрелов на 12 балона хватает, а в обычном больше 20пуков и скорость 90. И стоят ли эти 20 мысов того чтобы пуков в 2 раза меньше было :ne_vi_del: ? После того как крыса PCP появилась МР-654 больше как красивая игрушка - детям пострелять по банкам на шашлыках используется. Еще ТТ-Собр руки ни как не дойдут в порядок привести - убрать люфты, сифоны, на магазин наварить пятку - если не аутентичность 100%, то хотябы внешний вид приблизить ближе к оригиналу, а если еще и стрелять он будет при этом более менее нормально - то вообще замечательно :-)
Аватара пользователя
116aavl
Гуру
 
Сообщения: 5084
Зарегистрирован: 29 фев 2012, 16:41
Репутация: 29 [ ? ]
Благодарил (а): 754 раз.
Поблагодарили: 809 раз.

Re: МР-654 модификации, аутентичность.

Сообщение ggoblomov » 18 июн 2014, 20:58

А никто не пробовал на МП ставить стволик 5,5 мм,и с нарезами,под боеприпас-дробь такую,чтобы в нарезы правильно врезалась? Вот сидит мысля,а испытать в металле нет возможности... Кстати,пулька свинцовая из МП летит неплохо(по одной пихать в стволик приходится). Вот Вам и разгон... :fish:
С Днём Победы,товарищи!
ggoblomov
Гуру
 
Сообщения: 3611
Зарегистрирован: 14 авг 2013, 19:32
Репутация: 19 [ ? ]
Благодарил (а): 2102 раз.
Поблагодарили: 676 раз.

Пред.След.

Кто сейчас на конференции

Сейчас этот форум просматривают: нет зарегистрированных пользователей и гости: 22